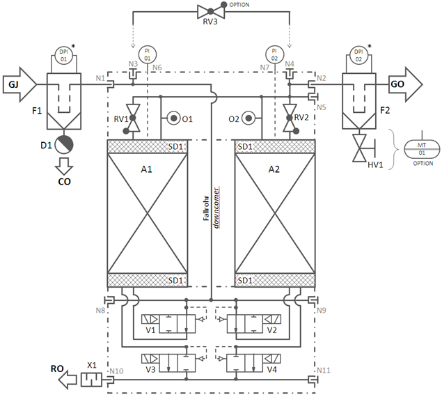
DPS 1-8 Adsorptionstrockner
Kaltregenerierende Drucklufttrocknung für anspruchsvolle Laboranwendungen und hochsensible Analytik.
Konstanter Taupunkt
Sichere und kontinuierliche Trocknung (Drucktaupunkt bis -40 °C) zum Schutz empfindlicher Analysegeräte vor Kondensat.
Kompakt & Effizient
Dank kompakter Bauweise ideal für Labore mit begrenztem Platzangebot. Intelligente Mikroprozessorsteuerung minimiert den Spülluftverbrauch.
Einfache Wartung
Das innovative Kartuschen-Design ermöglicht einen schnellen, sauberen und unkomplizierten Wechsel des Trockenmittels ("Plug & Play").
Allgemeine Betriebsbedingungen
- Drucktaupunkt: Standardmäßig -40 °C (schützt zuverlässig vor Restfeuchte).
- Betriebsdruck: Ausgelegt für einen typischen Arbeitsbereich von 4 bis 16 bar (je nach Modell).
- Umgebungstemperatur: +1 °C bis +50 °C.
- Spannungsversorgung: Weitbereichseingang für flexible Installationen (100-240 V AC oder 12-24 V DC).
- Steuerung: Zuverlässige elektronische Steuerung mit LED-Statusanzeige für Trocknung und Regeneration.
Modellübersicht (DPS 1 bis DPS 8)
| Modell | Volumenstrom (ca.) | Einsatzbereich |
|---|---|---|
| DPS 1 - DPS 2 | Kleine Volumenströme | Einzelne Analysegeräte, kleine GC-Setups |
| DPS 3 - DPS 4 | Mittlere Volumenströme | Mehrere LC-MS Systeme, Spektrometer |
| DPS 6 - DPS 8 | Hohe Volumenströme | Zentrale Labor-Druckluftversorgung, große Analysenstraßen |
Hinweis: Die exakten Durchflussmengen richten sich nach dem anliegenden Betriebsdruck. Kontaktieren Sie uns für eine genaue Dimensionierung für Ihr Labor.
Karlstraße 80/1, Dettingen an der Erms
Der Google-Maps-Dienst ist erforderlich, um diese Karte zu laden.
Der Google-Maps-Dienst ist erforderlich, um diese Karte zu laden.
Kontakt
Zögern Sie nicht, uns per mail oder Telefon zu kontaktieren, damit wir für Sie die beste Lösung finden können. Wir freuen uns über Ihre Anfrage!
Wir verwenden Cookies und ähnliche Technologien, um Ihre Erfahrung auf unserer Website zu verbessern.